Okna:

Południowy wschód

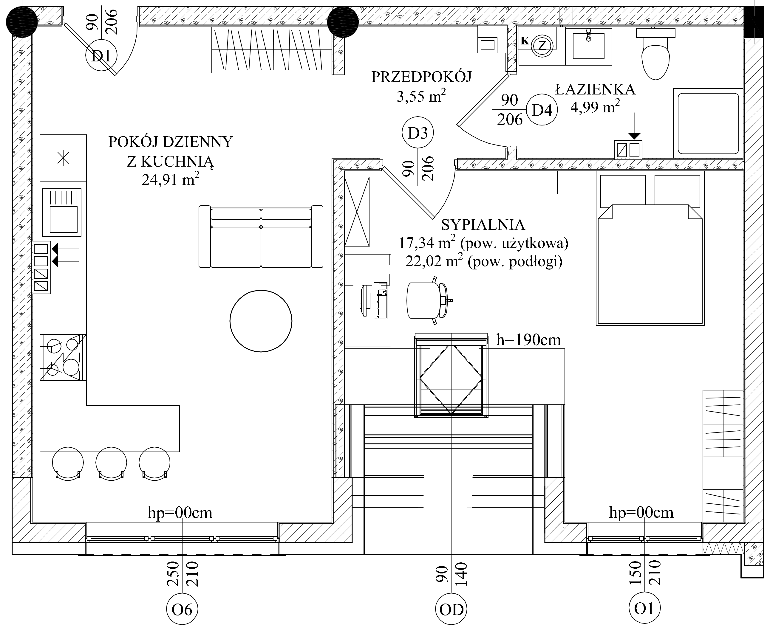
Rzut mieszkania z góry

Przykładowa aranżacja mieszkania:

Rzut całego piętra z góry

Powierzchnia użytkowa:

  • Przedpokój - 3,47 m²
  • Łazienka - 4,84 m²
  • Sypialnia: pow. podłogi - 21,75 m² / pow. użytkowa - ... m²
  • Strefa dzienna - 24,50 m²

UWAGA:

 

1. Przedstawiona na rzucie aranżacja ma charakter poglądowy, umeblowanie i wykończenie nie stanowi wyposażenia nabywanego lokalu.

 

2. Powierzchnie pomieszczeń, lokalizację przyborów sanitarnych, rozmieszczenie punktów instalacyjnych itp. podano zgodnie z projektem budowlanym. Mogą wystąpić niewielkie różnice w powierzchniach i usytuowaniu elementów powstałe w trakcie realizacji prac budowlanych.

 

3. Powierzchnia użytkowa lokalu określona jest na podstawie rozporządzenia Ministra Rozwoju z dn. 11 września 2020 r. w sprawie szczegółowego zakresu i formy projektu budowlanego (Dz. U. z 2022 r. poz. 1679) oraz przy uwzględnieniu treści Polskiej Normy PN-ISO 9836:2022. Powierzchnia jest obliczona w świetle pionowych przegród w stanie wykończonym, na poziomie podłogi bez uwzględnienia listew przypodłogowych, progów itp. Ostateczna powierzchnia zostanie obliczona na podstawie pomiaru powykonawczego.

ul. Kościuszki 23 A

Ostrołęka 07-410

Wygląd budynku od strony parkingu

Wygląd budynku od ulicy Kościuszki

PODDASZE MIESZKANIE "M5"

pow. podłogi - 54,56 m² ?

pow. użytkowa  - ... m² ?

603 057 007

ul. Kościuszki 23

07-410 Ostrołęka

606 311 274

(029)760-08-83 wew. 23

nieruchomosci@energas.pl

Kontakt

Strona główna

Menu

Kontakt

Adres